欢迎来到图页网
买家中心
留言信件
我的订单
我的收藏
卖家中心
商品管理
订单管理
店铺管理
会员服务
联系我们
登录
免费注册
0755-23444729
会员
企业图页
工商查询
求购
商铺
资讯图条
产品供应
招商
专题
视频
下载
发布产品
扫码关注
图页网
微信扫码关注
上海立格仪表有限公司
上海立格仪表 工业型单晶硅压力变送器 卫生型压力变送器 ...
网站首页
公司介绍
供应产品
采购清单
新闻中心
荣誉资质
招商代理
品牌展示
友情链接
网站公告
上海立格仪表有限公司致力于为工业自动化领域提供性能卓越的测控仪表,实现测量与控制过程更节能,更环保,更安全。 立格拥有以下4大核心优势,立格拥有超过15年的产品制造经验,数十万台的产品运用经验。同时具备传感器制造技术和线路板设计两大核心制造能力。立格对产品运用的深刻理解和深厚的技术底蕴,能够确保为您提供最优的产品解决方案,协助您获得更大的成功。 立格有齐全的EMC检测设备,高精度的全自动检验标定设备,一流CNC机械加工设备,先进的高低温交变实验箱,这些高品质的设备,确保了立格制造的产品符合国际最高标准。立格制造出的单晶硅传感器的测量精度可以做到0.05%,已经处于行业的世界领先水平。
新闻中心
LEEG压力变送器参展BIO CHINA 2022
化工迎新机遇 LEEG2035构建综合防控体系
降本增效 立格(LEEG)聚焦新能源和智能制造赛道
智造升级 立格掌握自主芯片制造和封装工艺核心技术
为安全设计 第二代多变量单晶硅压力变送器
产品分类
全部分类
SP38D单晶硅差压敏感模块
SPH19T单晶硅压力敏感模块
SP38M单晶硅多参数敏感模块
单晶硅压力变送器/双法兰隔膜系统
单晶硅压力变送器/延伸式单法兰隔膜系统
单晶硅压力变送器/单法兰隔膜系统
SMP858-TST单晶硅压力变送器/直装式单法兰隔膜系统
DMP305X-TST单晶硅压力变送器/绝对压力
DMP305X-TST单晶硅压力变送器/表压力
DMP305X-DST单晶硅压力变送器/表压力
DMP305X-DST单晶硅压力变送器/绝对压力
DMP305X-DST单晶硅压力变送器/差压 DMP305X-DST单晶硅压力变送器/差压
隔膜型单晶硅压力变送器
工业型单晶硅压力变送器
站内搜索
供应产品
采购清单
新闻中心
荣誉资质
招商代理
品牌展示
友情链接
荣誉资质
立格仪表 高新技术企业认证
立格仪表 SMP131单晶硅压力变送器-本安防爆证书
立格仪表SMP858单晶硅压力变送器-本安防爆证书
立格仪表 DMP305X单晶硅压力变送器-本安防爆证书
立格仪表SMP858单晶硅压力变送器-CE证书
友情链接
图页网
上海立格仪表商铺
上海立格仪表宣传图页
上海立格仪表新闻动态
上海立格仪表热销产品
首页
>
供应产品
>
LEEG立格LG200-FRF卫生型温度变送器-3A认证
LEEG立格LG200-FRF卫生型温度变送器-3A认证
浏览:
771
品牌:
LEEG
测量范围:
-50-400℃
输出信号:
4-20mA, Modbus-RT/RS485
参考精度:
±0.5%量程上限
单价:
面议
最小起订量:
1 台
供货总量:
99999 台
发货期限:
自买家付款之日起
10
天内发货
有效期至:
长期有效
最后更新:
2019-02-10 10:00
详细信息
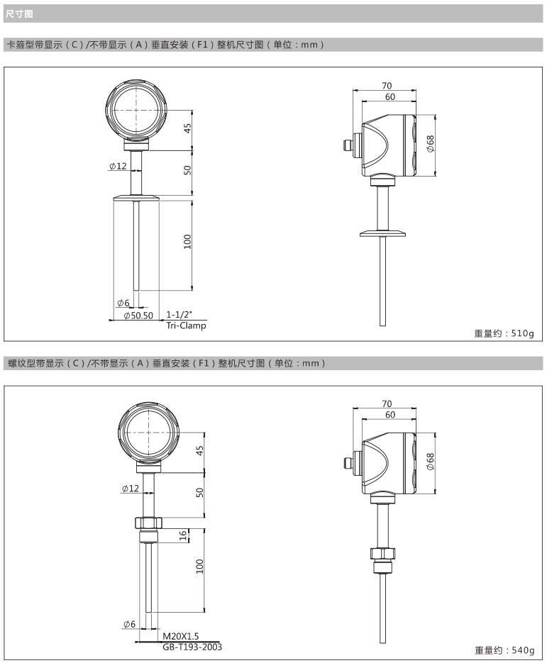
LG200卫生型温度变送器采用集成电路与表面封装技术的信号变送模块,并可选内置带背光和按键操作的LCD显示模块。
询价单
管理入口
|
返回顶部
©2026 上海立格仪表有限公司 版权所有 技术支持:
图页网
访问量:230837
电话咨询
咨询电话:
400****-5117
在线客服
移动版
回到顶部